Wärmenetz Ast

Solarwärme und Biomasse für bessere Energie

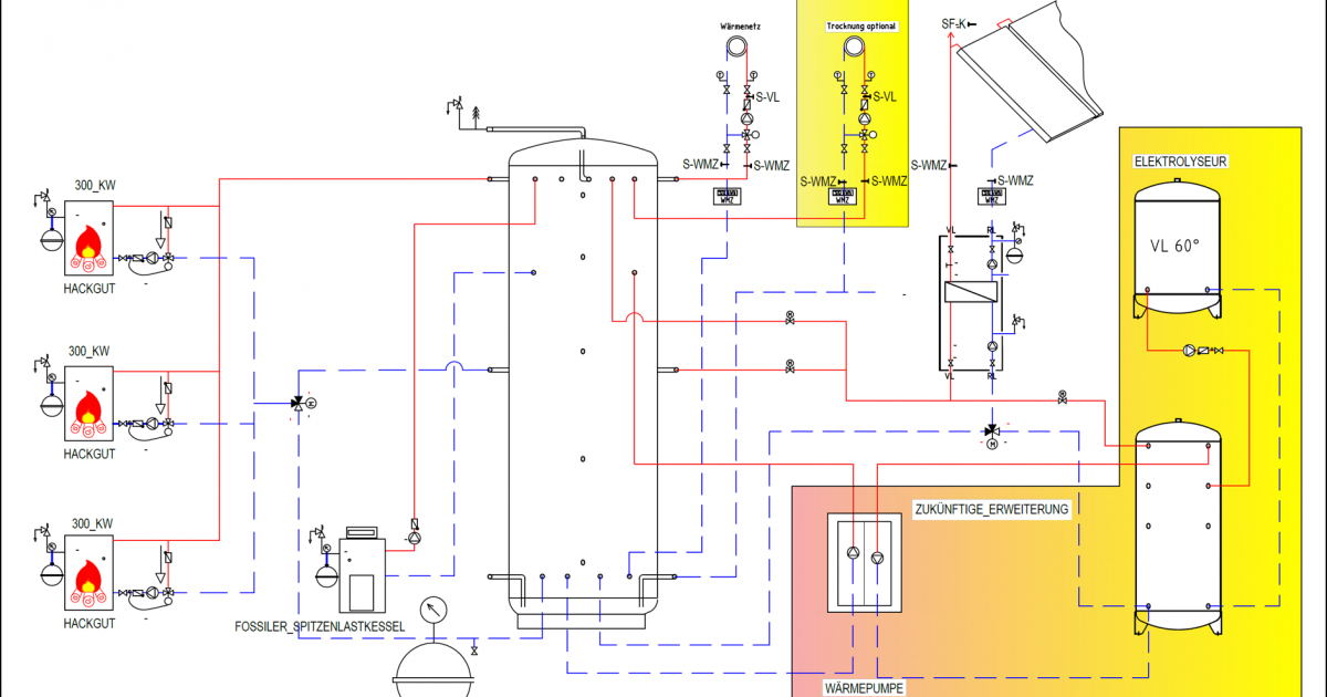
Immer mehr Genossenschaften und private Betreiber bemühen sich, ihre Wohnorte für die Wärmewende fit zu machen, indem Sie neue Wärmenetze errichten. In Ast bei Landshut durften wir ein solches Projekt von der ersten Infoveranstaltung für die Interessenten, über die Konzeptionierung und Detailplanung, bis zur Fördermittelbeantragung begleiten. Neben Biomasse wird auch Solarwärme für die Erzeugung eingesetzt. Für eine noch bessere Wirtschaftlichkeit und CO₂-Bilanz wird die Anlagentechnik aus einer Photovoltaikanlage versorgt. Für die Zukunft stehen Möglichkeiten offen, Wärmepumpen und Brennstoffzellen zu integrieren. Wir wollen den Ausbau des Netzes weiter begleiten und zusammen mit unserem Kunden den Betrieb optimieren.

Das Projekt in Fakten

  • Standort: Ast (Tiefenbach)
  • Neues Wärmenetz und Bau einer Heizzentrale
  • Biomasse und Solarthermie sowie PV-Anlage mit Batteriespeicher
  • Infoveranstaltungen, Konzepterstellung, Detailplanung, Fördermittelbeantragung, Baubegleitung
  • Umsetzung ab 2024